Learn the structure and principles of operation of the refrigerator
It is a familiar device for every family but the structure and principles of the refrigerator are not well understood.
Refrigeratorsare one of the necessary equipment for every family, especially on hot summer days.So do you ever wonder howthe refrigerator's structure and principles work?Our article will help you find out details about this issue.
content
- What are the components of the refrigerator?
- Principle of operation of the refrigerator
- Classify refrigerators
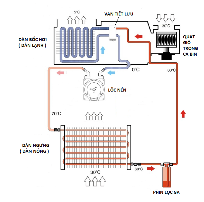
What are the components of the refrigerator?
In general, most of the current refrigerators are made up of the following main components:
Condenser (outdoor unit): Is a heat exchange device between condensate refrigerant and cooling environment.Condenser is usually made of iron, copper and equipped with a fins.The inlet of the condenser is inserted into the press head of the compressor, while the output is connected to the commutator through the filter drier.Condensers discharge heat from condensate into the environment.
Compressor: Also called block.This unit is responsible for sucking out the refrigerant vapor generated in the evaporator;maintaining the pressure required for low temperature evaporation;compress the vapor from the evaporation pressure to the condensing pressure then push into the condenser.Current refrigerator lines often use one or two piston compressors.They use a rotating mechanism to turn the rotation into a reciprocating movement of the piston.
Refrigerant (or gas): This is a volatile liquid (evaporation temperature of about -27 degrees Celsius), placed in a refrigerator to create cold temperatures.Some types of refrigerators use pure ammonia as a refrigerant.
Evaporator (indoor unit):It is an important part in the refrigerator construction, with the function of heat exchange between refrigerant and the environment in need of cooling.It will collect the heat of the cold environment, give the refrigerant a boiling temperature at low temperatures.The evaporator is installed in front of the compressor, after the capillary or throttle valve.
Cooling fan:It is the task of blowing air through the indoor unit, to improve the efficiency of absorbing heat on the indoor unit and bringing cold air around the refrigerator compartments.The chiller fan must operate simultaneously with the compressor.
Defrosting unit:It has a thermistor, 1 thermal relay and 1 control timer.The defrosting unit has the effect of reducing the phenomenon of snow and ice appearing on the indoor unit.
Outdoor unit fan: Helps the outdoor unit to release heat to the outside better.
Throttle valve:Located between the outdoor unit and the indoor unit.The duty of the throttle is to lower the refrigerant pressure (transferring the gas from liquid to gas).
Control circuit: The brain of the cold system, which controls the entire operation of the parts during the cooling process.
Gas pipelines: Usually made of copper with ductile, easy to weld and durable characteristics.
Built refrigerator
Principle of operation of the refrigerator
The structure of our refrigerator is all clear.So what principles does the refrigerator work?
Phase 1: Compressing gas
The Block section of the refrigerator compresses gas, causing the temperature and pressure of the gas to rise.At this time, gas is in a gas state.
Stage 2: Condensing at the outdoor unit
After being compressed at the block, the gas at high temperature, high pressure will be pushed to the outdoor unit.Here, it will be cooled, condensed into liquid at low temperature, high pressure.
Stage 3: Expansion
Liquid lips at low temperatures, high pressure passing throttle.There, it changes to a low-temperature, low-pressure form.
Stage 4: Chemical vaporization in the indoor unit
At the indoor unit, the refrigerant receives hot heat from the air in the refrigerator to evaporate and cool the environment in the refrigerator.After evaporation, the refrigerant will be transferred back to the compressor to start a new cycle.
Principle of operation of the refrigerator
Classify refrigerators
After learning about the structure and operation principle of the refrigerator, we will sort this device together.
In order to meet users' demand, refrigerator manufacturers are constantly releasing new, smarter, and more beautiful products.There are many criteria to classify refrigerators.This article will take into consideration two criteria: inverter technology and snowmaking status.
According to inverter technology:including inverter refrigerator and non-inverter refrigerator (ordinary refrigerator, not using inverter technology).What is inverter?Inverter is an inverter technology capable of controlling the capacity of the refrigerator to avoid unnecessary consumption.Inverter refrigerators have the advantage of saving energy, operating smoothly and more sustainably than non-inverter models.So what is the difference between operating principle of inverter refrigerator?
In this refrigerator line, the compressor is capable of automatically disconnecting when the cabinet reaches the required coldness and automatically restarts when the cabinet temperature rises.
Inverter refrigerators help save energy
Under snowing status: includes a refrigerator without snow and a freezer with snow.The closed-free refrigerator uses direct cooling by a compressor system while the refrigerator does not close the cooling snow by fan mechanism.In general, non-snow fridges have many outstanding advantages such as energy saving, fast cooling capacity, efficient food preservation, but high price.The operation principle of the refrigerator does not close the snow like after every 6 hours, the timer will turn on the heating coil to melt the snow around the coil.When the temperature rises to 32 degrees C, the heating wire will automatically disconnect.
Hopefully after this article you all understand thestructure and principles of operation of the refrigerator.VisitMETA.vnfor advice and order quality and cheap refrigerators.
>>> More references:
- What is inverter technology?How does inverter save electricity?
- How much is reasonable to regulate refrigerator temperature?
- Have you used the refrigerator properly when you first bought it?
- Why does the refrigerator lose heat and is not cold enough?
- This is what causes the refrigerator to vibrate and shout unusually
Discover more
Share by
Micah SotoYou should read it
- How to clean the refrigerator properly?
- Why does the refrigerator lose heat and is not cold enough?
- [Experience] Which refrigerator is the best and the most durable one?
- Should the refrigerator be unplugged in the winter, when traveling for a long time?
- What to do when the refrigerator vibrates and screams abnormally?
- The Quiet Details That Make a Sports Betting Platform Feel Reliable
- Instructions on creating toy set images with ChatGPT AI
- How are AI agents changing the journalism industry?
- How to handle LG, Toshiba, Sharp refrigerators does not cool the lower compartment
- Have you used the refrigerator properly when you first bought it?
- Why does the refrigerator lose heat and is not cold enough?